上银科技HIWIN-产品系列
在此网站上您可以找到我们目前的上银科技HIWIN-产品系列。 如果您想了解更多,请联系我们:我们的销售工程师将会尽快回复您。

直线电机:
直线电机模组:
直线电机平台:
世界传动控制产品与系统科技产品的专业制造者,在直线运动和定位领域,上银有着独特的优势,上银在全球有多个研发中心,经过30多年的不断研发生产,质量稳定,客户使用HIWIN的传动控制产品而创新价值、增强竞争力,成为市场赢家;当然也有自我期许成为创新科技的赢家。

Product Center
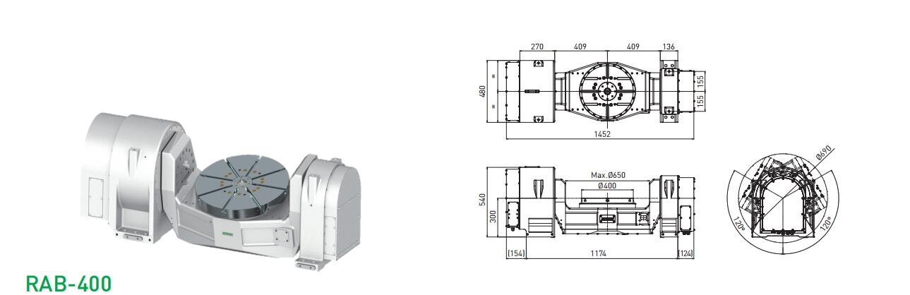
高刚性的对称性结构设计
采用高加速度、高扭力、
高精度、零背隙的直驱马达
内置空压强力煞车系统
回转轴采用大孔径、
高刚性之径轴向轴承
倾斜轴采用高精度、
高刚性之交叉滚柱轴承
產品介紹
HIWIN Torque Motor回转工作台针对复杂且平滑的曲面加工,可达到高质量的精准度,同步加工专家,从超小型到大型,依您的需求选择合适或订制的转台。
◆适用于各种五轴同动加工,3+2、3+1轴加工机
◆掌握高扭矩力矩电机自制关键技术
◆按照客户所需,可更换转台尺寸,拥有高度设计弹性
◆高加速度、高刚性、高精度的特性,产品加工表面光洁度更上一台阶
◆效率提升,有效提高生产力
◆结构紧凑精巧、零背隙、稳定性高,使用寿命长
◆内含强力制动装置
◆可搭配国内外厂 商的驱动器
倾斜轴采用高精度、高刚性之交叉滚柱轴承
◆定位精度高, 适用于高精密同动加工
◆多种盘面形式可选,亦可根据需求订制个性化形状
◆可精准停止和摆动角度的设定
◆适用于所有控制系统
广泛用于:金属加工、模具制造、雷射雕刻机、焊接设备、锻造加工机..等产业。


| 冷卻方式 | 空冷 | 水冷 | |||||||
|---|---|---|---|---|---|---|---|---|---|
| 规格/型号 | 单位 | RAB-200 | RAB-500 | RAB-630 | RAB-800 | ||||
| 盘面直径 | mm | 200 | 500 | 630 | 800 | ||||
| 中心高度 | mm | 195 | 325 | 325 | 325 | ||||
| 盘面高度 | mm | 240 | 265 | 265 | 225 | ||||
| T型槽宽度 | mm | 12H8 | 14H8 | 14H8 | 14H8 | ||||
| Drive Type | mm | Single Drive | Single Drive | Double Drive | Double Drive | ||||
| 轴向 | 回转轴 | 倾斜轴 ±120° | 回转轴 | 倾斜轴 ±120° | 回转轴 | 倾斜轴 ±120° | 回转轴 | 倾斜轴 ±120° | |
| 最高转速*2 | r.p.m. | 400 | 250 | 100 | 40 | 100 | 60 | 90 | 60 |
| 连续转矩 | N-m | 28 | 65 | 600 | 2000 | 600 | 2580 | 2200 | 4400 |
| 最大转矩 | N-m | 81 | 280 | 1100 | 3600 | 1100 | 4800 | 3900 | 7800 |
| 定位精度 | arc-sec | ±10 | ±10 | ±5 | ±5 | ±5 | ±5 | ±5 | ±5 |
| 重复精度 | arc-sec | 6 | 6 | 4 | 4 | 4 | 4 | 4 | 4 |
| 制动方式 | 空压 (6 bar) | ||||||||
| 制动扭矩 | N-m | 300 | 200 | 2400 | 6600 | 2400 | 4800 | 4200 | 8400 |
| 冷卻功率 | W | - | - | 4077 | 9900 | 4077 | 16524 | 9900 | 19800 |
| 最大容许工作惯性 | kg-m2 | 1.6 | 23.8 | 23.8 | 177.6 | ||||
| 净重 | kg | 180 | 1190 | 1190 | 2200 | ||||
| 容许载重 | kg | 20 | 850 | 850 | 1200 | ||||
*1:定位精度为补偿后精度。
*2: 上表各型号均为标准规格;如有特殊需求,请另外告知。
*3: 转速与工作转矩会因使用电压不同而有所差异。
吴海欣(专案科):18825521040

微信扫一扫

在线咨询