E系列-RWDE 双臂晶圆机器人
特征

具软硬体垂直整合优势,

采用高精密、高刚性之直驱马达,

重复精度可达到±0.1mm。且回转半径小,

大幅提升空间使用率。支援非径向取放功能,

末端可再选配马达驱动之模组实现翻转功能。

  • 基本信息
  • 规格尺寸
  • 配置/性能参数

    RWDE 双臂晶圆机器人

    特征

    具软硬体垂直整合优势,采用高精密、高刚性之直驱马达,重复精度可达到±0.1mm。且回转半径小,大幅提升空间使用率。支援非径向取放功能,末端可再选配马达驱动之模组实现翻转功能。

    应用

    适用于半导体产业(晶圆取放)、光电产业(小型面板、小型太阳能板)、LED产业(蓝宝石基板、胶环)等取放设备。


    关键零组件自制

    机械手臂中的各关键零组件,如滚珠丝杠、直驱电机等,皆由HIWIN自行研发制造,取件直接,软硬体垂直整

    合,可提供高品质的机器手臂,提升您的竞争力,且可依客户生产需求提供客制化服务。

    零部件自制.jpg

    半导体产业

    ●晶圆搬运                                                                                                     ●晶圆翻转搬运

    半导体产业.jpg

    LED产业                                                                                                                                   面板产业[小型面板)

    蓝宝石基板搬运                                 ●GripRing(胶环]搬运                        ●面板搬运                                  ●仓储应用

    LED产业.jpg

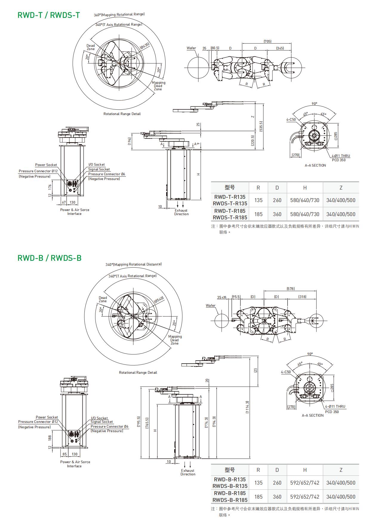
    RWD 双臂晶圆机器人图尺寸图.jpg


吴海欣(专案科):18825521040

吴海欣二维码.jpg

微信扫一扫

Copyright © 2021~ 东莞市百家智能科技有限公司 . All Rights Reserved. 备案号:粤ICP备18002647号