上银科技HIWIN-产品系列
在此网站上您可以找到我们目前的上银科技HIWIN-产品系列。 如果您想了解更多,请联系我们:我们的销售工程师将会尽快回复您。

直线电机:
直线电机模组:
直线电机平台:
世界传动控制产品与系统科技产品的专业制造者,在直线运动和定位领域,上银有着独特的优势,上银在全球有多个研发中心,经过30多年的不断研发生产,质量稳定,客户使用HIWIN的传动控制产品而创新价值、增强竞争力,成为市场赢家;当然也有自我期许成为创新科技的赢家。

Product Center
无顿力
单轴多动子
U型定子结构
无磨耗零背隙
平滑连续运动曲线应用
连续推力:184N
瞬间推力:736N
HIWIN 无铁心式直线电机,具无磨耗零背隙且无顿力与低速度链波特性,加上动定子间无吸引力。可应用于安装平台不变形、轻负载且需求连续运动曲线。例如:高速轻负载自动化设备、无尘环境的自动化设备、面板平板设备、光学检测设备、扫描式电子显微镜设备、半导体设备、工具机线切割设备与凸轮车床设备。
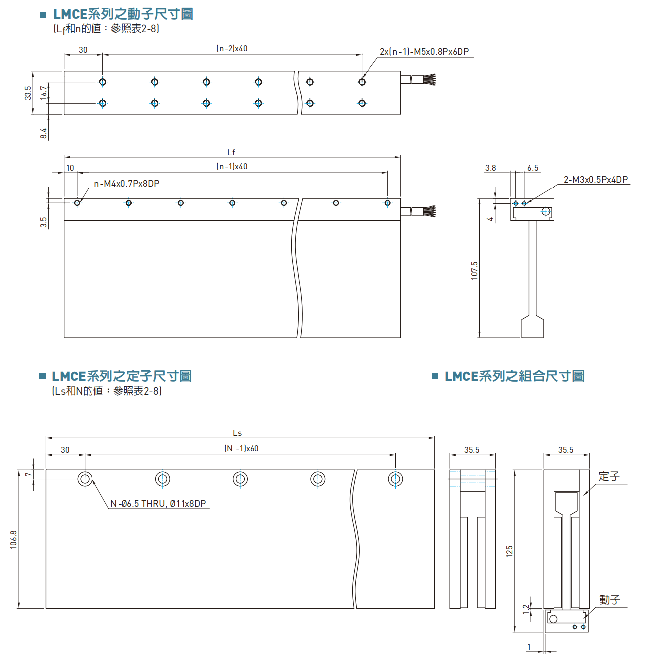
线性马达LMCE系列



上银动子U型无铁芯LMCE4
LMCE 系列動定子尺寸图

上银动子U型无铁芯LMCE4
直线电机规格

吴海欣(专案科):18825521040

微信扫一扫

在线咨询